

咨詢熱線:
18991002688
手機號:
18991002688
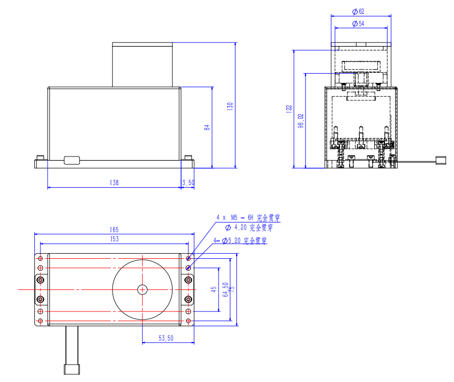
RSH-80稱重傳感器,含自動稱重系統。RSH稱重傳感器模塊在需要高精度的自動化應用中提供緊湊、節省成本的解決方案,用于機載稱重。 較大限度地減少集成工作,實現簡單快速地安裝。

技術條件 | |
交流電源要求,電壓,頻率 | 交流適配器,輸入 230V 或 115V,輸出 25V, +15%至-20%,48 Hz~60Hz |
消耗功率 | 最大 16 W;平均 8 W(STNG6) |
環境條件 這里所給的技術條件須在下列環境條件下保證 | |
工作溫度范圍 | +10℃ 至+30℃(273K 至 303K,50℉至 86℉) |
允許的環境溫度范圍 | +5℃ 至+40℃(41℉ 至 104℉) |
在 5℃ 至 40℃(41℉ 至 104℉)環境溫度范圍內,能保證正常功能。 | |
技術條件 | |
交流電源要求,電壓,頻率 | 交流適配器,輸入 230V 或 115V,輸出 25V, +15%至-20%,48 Hz~60Hz |
消耗功率 | 最大 16 W;平均 8 W(STNG6) |
環境條件 這里所給的技術條件須在下列環境條件下保證 | |
工作溫度范圍 | +10℃ 至+30℃(273K 至 303K,50℉至 86℉) |
允許的環境溫度范圍 | +5℃ 至+40℃(41℉ 至 104℉) |
在 5℃ 至 40℃(41℉ 至 104℉)環境溫度范圍內,能保證正常功能。 | |
技術參數 | |
尺寸(寬x深x高) mm | 165x75x130 |
儀器凈重(kg) | 3.4 |
最大量程 | 220g |
可讀精度 | 0.0001g |
除皮范圍 | 220g |
重復性(標準偏差) ≤± | 0.0001g |
線性 ≤± | 0.0002g |
響應時間(平均值) 秒 | 2.5 |
靈敏度漂移在+10℃ 至+30℃下 ≤±/K | 2·10-6 |
對環境條件的適應性 | 選擇 1 至 4 級優化篩選等級; 顯示屏更新:0.1-0.4(取決于所選的篩選等級) |
外部校準砝碼(最低精度等級…) g | 200(E2) |
咨詢熱線:吳興國18991002688
手機號:吳興國18991002688
郵箱:brave@rshtek.com
公眾號